Motor module v5.0

(Version 5.0)

Motor module incorporates the motor driver board and different electrical motors. Motor board is designed to be compatible with the Controller module but can be also used for other controllers as it is equipped with standard motor drivers. Motor power supplies are separated from the control signals.

It is possible to drive different types of motors with the module.

Following motors can be connected with Motors board:

  • 4 x DC motors and 2 x encoder.
  • 2 x unipolar stepper motors.
  • 1 x bipolar stepper motor.
  • 2 x RC servo motor.

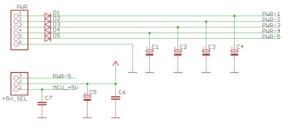
Motor module supply connector (PWR):

Pin Supply connection Voltage Current
1 DC motors up to 36 V up to 600 mA
2 Bipolar stepper motor up to 36 V up to 600 mA
3 Servo motors 4,8 - 6 V up to 1 A
4 Unipolar stepper motors up to 50 V up to 500 mA
5 Drivers logic supply (selectable with JP1) 5 V
6 Ground(GND)

NB! Applied voltage and current are primary dependent of motors which are used and can not exceed the limits of specific motor. These limits should be checked from motor datasheet. Motors provided with the kit are most commonly supplied with the voltage 5-6 V and therefore the power distribution cable is using voltage regulators, limiting the output to 5 or 6 V.

Motors

Specific model or mark of the motor in a Add-On Kit can vary, but every kit has at least one DC motor, 1 RC servo motor and 1 bipolar or unipolar stepper motor.

Following specific models can be found in the kit:

  • DC motor
    • Micromotors L149.6.10 (with gear) datasheet
    • Micromotors LE149.6.43 (with gear + encoder) datasheet
  • RC servo motor
  • Unipolar stepper motor
  • Bipolar stepper motor
Motors

 

Electrical connections

Motor module board is connected with Controller module to the port PE-PB-PD. The power supplies of the motors are connected with separate PWR connector, where every type of motor can have different voltage. Drivers on the board can be supplied externally or directly from Controller module. This is determined by the jumper JP1. If the jumper connects pin 1 and 2 the logic supply is taken from the Controller module. If logic supply is correctly provided the on-board LED +5V have to light up.

Power supply for motors

DC motors

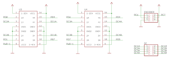
DC motors are connected to the connector group DC. Every pair can handle one motor - all together 4 DC motors. Motors are controlled with widely used H-bridges, L293D dual H-bridge driver is used for the DC motors. Motors can also be replaced by some other actuator which can be controlled digitally and if the current do not exceed 500 mA (piezo generator, relay etc.)

Schematics of DC motor connection
AVR pin Control signal AVR pin Control signal
PB4 Motor 1 A PD6 Motor 3 A
PB7 Motor 1 B PD7 Motor 3 B
PD0 Motor 2 A PD4 Motor 4 A
PD1 Motor 2 B PD5 Motor 4 B

Encoder

AVR pin Control signal
PE6 Encoder 1
PE7 Encoder 2

Stepper motors

Motor board supports two different types of stepper motors. Two unipolar and one bipolar motor can be connected with the board. Bipolar stepper is controlled with dual H-bridge L293D and unipolar stepper is driven by transistor array ULN2803. The patterns of the stepper signals are generated by the software. It is important to check the sequence of the stepper motor windings. The supply wires of unipolar stepper motor are connected to pins Vcc. If unipolar stepper has only 5 wires, the first pin is left unconnected.

Stepper motor connections:

Pin Winding wire Unipolar 1 Unipolar 2 Bipolar
1 1 + supply + supply
2 2 + supply + supply
3 1A PE0 PE2 PB0
4 2A PE1 PE3 PB1
5 1B PE6 PE4 PB2
6 2B PE7 PE5 PB3

NB! Unipolar stepper 1 has parallel connection with encoders and UART. When using the encoders or UART1 unipolar stepper motor cannot be used on the same time.

Unipolar (left) and bipolar (right) stepper motor windings
Schematics of stepper motor connections

Servo motor

RC servo motors are connected to the connector Servo on the Motor board. Motors are connected so that the ground wire (usually black or brown) is on the pin GND (close to the edge of the board). Two servo motors can be used at the same time. The control signals are connected directly with microcontroller timer outputs.

AVR pin Control signal Connector
PB5(OC1A) PWM1 Lower
PB6(OC1B) PWM2 Upper
Schematics of servo motor connections
en/hardware/homelab/motor/v50.txt · Last modified: by 127.0.0.1
CC Attribution-Share Alike 4.0 International
www.chimeric.de Valid CSS Driven by DokuWiki do yourself a favour and use a real browser - get firefox!! Recent changes RSS feed Valid XHTML 1.0