Motors module v1.2

(Version 1.2)

Motors module incorporates the motors driver board and different electrical motors. Motors board is designed to be compatible with the Controller module but can also successfully be used for other controller boards as it uses standard motor drivers.

Motor power supplies are separated from the control signals on the Motors board and enable to connect all control signals with one ribbon cable

It is possible to drive different types of motors with the module and all these can have separate voltage supply.

Following motors can be connected with Motors board:

  • 4 x DC motors or 3 x DC motors and 2 x encoder.
  • 2 x unipolar stepper motors.
  • 1 x bipolar stepper motor.
  • 2 x RC servo motor.
  • UART connector.
  • Driver supply selection: jumper JP1 (from controller board or external).
  • Supply indicator LED.

motors modules supply connector (PWR):

Pin Supply connection Voltage Current
1 DC motors up to 36 V up to 600 mA
2 Bipolar stepper motor up to 36 V up to 600 mA
3 Servo motors 4,8 - 6 V up to 1 A
4 Unipolar stepper motors up to 50 V up to 500 mA
5 Drivers logic supply (selectable with JP1) 5 V
6 Ground(GND)

NB! Applied voltage and current are primary dependent of motors which are used and cannot exceed the limits of specific motor. These limits should be checked from motor datasheet. Motors provided with the kit are most commonly supplied with the voltage 5-6 V and therefore the power distribution cable is using voltage regulators, limiting the output to 5 or 6 V.

Motors

Specific model or mark of the motor in a Add-On Kit can vary, but every kit has at least one DC motor, 1 RC servo motor and 1 bipolar or unipolar stepper motor.

Following specific models can be found in the kit:

Motors

 

Electrical connections

Motors module board is connected with Controller module with one ribbon cable to the port PE-PB-PD. The power supplies of the motors are connected with separate PWR connector, where every type of motor can have different voltage. Drivers on the board can be supplied externally or directly from Controller module. This is determined by the jumper JP1. If the jumper connects pin 1 and 2 the logic supply is taken from the Controller module. If logic supply is correctly provided the on-board LED +5V have to light up. The Motors board is equipped with UART connector which enables to connect external UART compatible devices directly to board.

Signal connector of Motors module , powers supply of motors and UART connector

DC motors

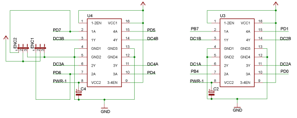
DC motors are connected to the connector group DC1. Every pair can handle one motor - all together 4 DC motors. In parallel of connector 3 two encoders ENC1 and ENC2 are connected. In case of using the encoders the DC motor connector 3 cannot be connected with DC motor at the same time (these ports have to be configured as inputs by the software). Motors are controlled with widely used H-bridges, L293D dual H-bridge driver is used for the DC motors. Motors can also be replaced by some other actuator which can be controlled digitally and if the current do not exceed 500 mA (piezo generator, relay etc.)

Schematics of DC motor connection
AVR pin Control signal AVR pin Control signal
PB4 Motor 1 1A PD6 Motor 3 1A
PB7 Motor 1 2A PD7 Motor 3 2A
PD0 Motor 2 1A PD4 Motor 4 1A
PD1 Motor 2 2A PD5 Motor 4 2A

Stepper motors

Motors board supports two different types of stepper motors. Two unipolar and one bipolar motor can be connected with the board. Bipolar stepper is controlled with dual H-bridge L293D and unipolar stepper is driven by transistor array ULN2803. The patterns of the stepper signals are generated by the software. It is important to check the sequence of the stepper motor windings. The supply wires of unipolar stepper motor are connected to pins 1 and 2. If unipolar stepper has only 5 wires, the pin 1 is left unconnected.

Stepper motor connections:

Pin Winding wire Unipolar 1 Unipolar 2 Bipolar
1 1 + supply + supply
2 2 + supply + supply
3 1a PE0 PE4 PB0
4 2a PE1 PE5 PB1
5 1b PE2 PE6 PB2
6 2b PE3 PE7 PB3
Unipolar (left) and bipolar (right) stepper motor windings
Schematics of stepper motor connections

Servo motor

RC servo motors are connected to the connector PWM1 and PWM2 on the Motors board. Motors are connected so that the signal wire (usually yellow or white) is on the pin 1 (close to the edge of the board). Two servo motors can be used at the same time. The control signals are connected directly with microcontroller timer outputs.

AVR pin Control signal
PB5(OC1A) PWM1
PB6(OC1B) PWM2

Connectors of the motors

Connectors of the motors

Connecting the module

While connecting the module it is advised to follow the order as described below. Before connecting any cable make sure that the power is removed from Controller board.

  1. Connect the Motors module with Controller module by using the ribbon cable.
  2. Connect the motors which are needed.
  3. Connect the power distributor of the motors supply.
  4. If needed connect the JTAG programmer with Controller module.
  5. Connect the power supply with Controller module.
Connecting the Motors module
en/hardware/homelab/motor/v3.txt · Last modified: by 127.0.0.1
CC Attribution-Share Alike 4.0 International
www.chimeric.de Valid CSS Driven by DokuWiki do yourself a favour and use a real browser - get firefox!! Recent changes RSS feed Valid XHTML 1.0