User Interface module III

The User Interface module is designed for simple tasks and basic process control. Module has three push-buttons and three LEDs, which can be used as digital inputs and outputs of microcontroller. Additionally to simple LEDs the module is equipped with 7-segment indicator, graphical LCD display and a speaker. Interface module has four analogue sensors: potentiometer, photoresistor, thermistor and microphone. User Interface module is handy to use along with other modules enabling to control the output device behavior, like motors and display the sensor readings. The module is covered with plexiglass to protect the board from accidents.

The module is equipped with:

  • Green, yellow and red light-emitting diode (LED)
  • Three push-buttons (S1, S2, S3)
  • 7-segment LED indicator
  • Graphical LCD (128×160 px, 24-bit RGB)
  • Speaker
  • Potentiometer(10 kΩ)
  • Photoresistor
  • Thermistor
  • Microphone
User Interface module

Electrical connections

User Interface module is equipped with three buttons S1, S2, S3 which are connected to ports PH2, PH1, PH0 accordingly. The other end of buttons are connected through the resistors to ground (logical 0). LED1, LED2 and LED3 on the module are connected to the ports PH5, PH4, PH3 accordingly. The anodes of LEDs are connected to the supply (logical 1).

Schematics of buttons and LEDs

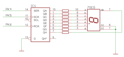
User Interface module is equipped with 7-segment indicator, which is connected to the three output terminal of the microcontroller through a shift register 74HC595.The data signal (SER) of the the shift register is connected to pin PK4, clock signal (CLK) to pin PK5 and latch (LATCH) to pin PK6.

Schematics of 7-segment indicator

User Interface module is equipped with LCD screen. The LCD screen is connected to the port PE SPI bus (MOSI - PE5, SCK - PE7). The rest of the LCD control signals are located on port PK.

Schematics of the LCD

The speaker is connected with controller board's pin PB3, which behaves as a digital-to-analog converter. It's possible to generate sound with Robotic Homelab library or with your own software.

Schematics of speaker

Sensors placed in the user interface is connected directly to the microcontroller's analog-to-digital converter.

Schematics of all sensors
Label on PCBSensor nameMicrocontroller pin ADC channel number
MICSound volume sensorPB4 ADC12
LDRPhotoresistorPB5 ADC13
NTCTemperature sensorPB6 ADC14
POTPotentiometerPB7 ADC15

User Interface module shall be connected to the controller module carefully so that all the connectors on both sides of the module exactly matched. If the modules are properly connected to the Controller, then it may again to apply power. Check that all power LEDs are lit of the connected modules.

Connected modules
en/hardware/homelab/digi/v3_1.txt · Last modified: by 127.0.0.1
CC Attribution-Share Alike 4.0 International
www.chimeric.de Valid CSS Driven by DokuWiki do yourself a favour and use a real browser - get firefox!! Recent changes RSS feed Valid XHTML 1.0