User interface module v5.0

User interface module is designed for simple tasks and basic process control. Module has three push-buttons and three LEDs, which can be used as digital inputs and outputs of microcontroller. Additionally to simple LEDs the module is equipped with 7-segment indicator, graphical LCD display and alphanumeric LCD outputs. User interface module is handy to use along with other modules enabling to control the output device behavior, like motors and display the sensor readings. The module is covered with the plexiclass to protect the board with accidentals.

Module features:

  • Green, yellow and red LED;
  • Three push-button;
  • 7-segment indicator;
  • Graphical LCD;
  • Alphanumeric LCD connector;

Electrical connections

User interface module is connected to Controller module to ports PA/PC/PG, which includes the 8-pin ports PA and PC and 6-pin port PG.

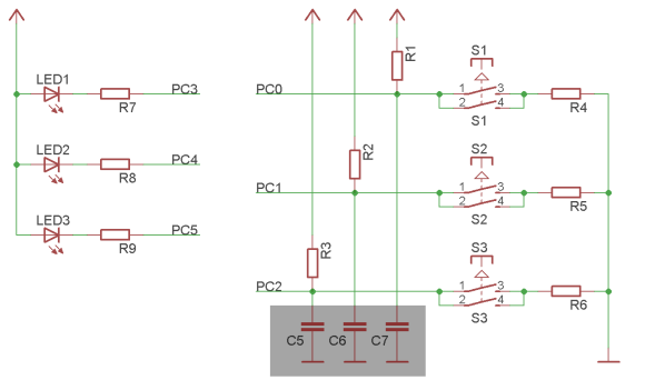
User interface module is equipped with three buttons S1, S2, S3 which are connected to ports PC0, PC1, PC2 accordingly. The other end of buttons are connected through the resistors to ground (logical 0). The module board has places for the capacitors to build up the RC filter for buttons, but not included on the standard set. LED1, LED2 and LED3 on the module are connected to the ports PC3, PC4, PC5 accordingly. The anodes of LEDs are connected to the supply (logical 1).

Schematics of buttons and LEDs

User interface module is equipped with 7-segment indicator, which is connected with microcontroller ports through the driver A6275. Driver data bus (S-IN) is connected to pin PC6, clock signal (CLK) to the pin PC7 and latch signal (LATCH) to pin PG2.

Schematics of 7-segment indicator

The graphical LCD display on module is connected to port PA. In parallel the same port has external connector where all pins are aligned according to the standard 2 x 16 alphanumeric LCD 4 bit control. It is user choice, whether to use the graphical or alphanumeric LCD. It is not possible to use both on the same time. Graphical LCD has the background light which can be logically controlled by the software. The back-light intensity of alphanumeric LCD is regulated with on-board resistor and graphical LCD back-light can be controlled by the software. Both LCD displays are connected to the port PA but only one at a time can be used. When selecting the alphanumeric LCD the jumper should be removed to avoid the random control of graphical LCD background light.

Schematics of LCD

Connecting module

While connecting the module it is suggested to follow the order as described below. Before connecting any cable make sure that the power is removed from Controller board.

  1. Connect gently the User interface module with Controller module.
  2. If needed connect the JTAG programmer with Controller module.
  3. Connect the power supply with Controller module.

en/hardware/homelab/digi/v50.txt · Last modified: by 127.0.0.1
CC Attribution-Share Alike 4.0 International
www.chimeric.de Valid CSS Driven by DokuWiki do yourself a favour and use a real browser - get firefox!! Recent changes RSS feed Valid XHTML 1.0