Combo board

Combo board brings together three different Homelab boards, that makes it ideal usage for robots. Combo board functionality is compatible with Sensor module, Motor module and Communication module.

Combo board is able to drive following motors:

  • 4 x DC motors
  • 1 x Stepper
  • 2 x Servomotor



Connect following sensors:

  • 4 x analog
  • 4 x digital
  • 2 x coder
  • 8x digital inputs trough parallel to serial converter



Use the following communication interfaces:

  • UART (3,3 or 5 V )
  • ZigBee / Bluetooth / RFID / WiFi / GPS wireless communication module

For standard, Combo board uses ZigBee wireless communication module.

Combo board with XBee module

Electrical connections

Combo board is connected with controller using PA-PB-PC-PD-PE-PF ports. DC and stepper motor feeds come from external power cord, servo motors feed comes trough 5V voltage regulator also from external power cord. Motors power circuit is separated from controller's power circuit. If external power feed is correctly connected to the Combo board the green PWR led will lit.

DC motors

DC motors is connected to the DC group of pins. Every pair of pins can control 1 dc motor, thus it's possible to manipulate 4 dc motors. Combo board uses bd6226fp H-bridge to control dc motors. It's possible to manipulate some other device, what can be controlled digitally and it's current is smaller than 1 A and voltage does not exceed 18 V, beside dc motor with DC pins (Piezoelectric generator, relay etc).

DC motor connection scheme
AVR pin Signal AVR pin Signal
PB4 Motor 1 A PD6 Motor 3 A
PB7 Motor 1 B PD7 Motor 3 B
PD0 Motor 2 A PD4 Motor 4 A
PD1 Motor 2 B PD5 Motor 4 B

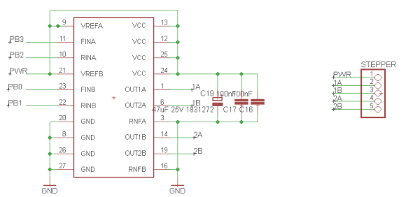
Stepper motor

Stepper connection scheme

Servomotor

Servo is connected to Servo group of pins. Ground wire is connected to the GND pin which is the pin nearest to the board edge. It's possible to use 2 servomotors at once. Signal pins on the Combo board is directly connected to the controller's timer's output pins.

Servomotor connection scheme
AVR pin Signal Socket
PB5(OC1A) PWM1 Top
PB6(OC1B) PWM2 Bottom

Sensors

ADC sensor inputs

Combo board has 4 ADC input pins, every ADC input pin forms a group with Vcc (+5 V) and ground which is marked as GND, that makes them ideal to use to connect analog sensors.

Analog sensor inputs scheme
AVR pin Signal Socket
PF0(ADC0) ADC0 Top
PF1(ADC1) ADC1 Bottom
PF2(ADC2) ADC2 Top
PF3(ADC3) ADC3 Bottom

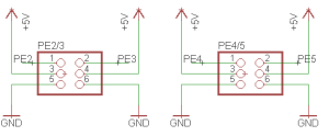
Digital inputs

Combo board has 4 groups of pins where to connect digital sensors. Every group consist of +5 V also called Vcc, ground also called GND and signal pin.

Digital sensor connecting scheme
AVR pin Signal Socket
PE2(XCK0/AIN0) PE2 Top
PE3(OC3A/AIN1) PE3 Bottom
PE4(OC3B/INT4) PE4 Top
PE5(OC3C/INT5) PE5 Bottom

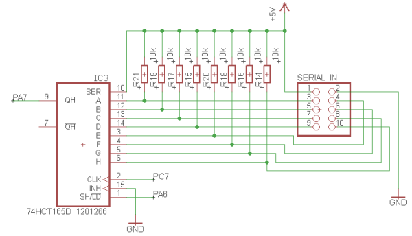
Digital serial input

Combo board has with 8 input pins parallel in serial out shift register 74HC/HCT165, what is able to read in 8 digital signals and convert it to 8 bit digital number. Those inputs are suitable for line follower applications.

Shift register connection scheme, odd pins are on top
AVR pin Signal
PA7(AD7) Q7
PC7(A15) CP
PA6(AD6) PL
GND CE

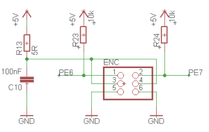
Coder

Coder connection scheme
AVR pin Signal
PE6 Coder 1
PE7 Coder 2

Wireless module

One of these modules can be connected to the Combo board:

  • ZigBee module
  • Bluetooth
  • GPS module
  • RFID module
  • Wifi module


All of these module communicate over the UART interface with the microcontroller. Also it's possible to connect with a cable external UART device. For external device supply voltage can be chosen 3,3 V or 5 V.

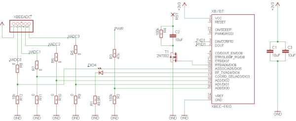
Wireless connection scheme

ZigBee XBee module

Pin from wireless module Signal Socket
15(ASSOC/AD5/DIO5) XADC0 XBEEADC2
17(COORD_SEL/AD3/DIO3) XADC1 XBEEADC3
18(AD2/DIO2) XADC2 XBEEADC4
19(AD1/DIO1) XADC3 XBEEADC5
20(AD0/DIO0) PWR Connected with robot's power supply
11(RF_TX/AD4/DIO4) DIO4 test LED (yellow)
16(RTS/AD6/DIO6) RST Reset pin form controller module

Combo board is connected with 4 wireless module's i/o pins, which can use volt divider, if in use is/are analog input(s) or use as digital i/o. For addition to 4 i/o pins one of wireless module pin is connected with test LED.

en/hardware/homelab/combo/v13.txt · Last modified: by 127.0.0.1
CC Attribution-Share Alike 4.0 International
www.chimeric.de Valid CSS Driven by DokuWiki do yourself a favour and use a real browser - get firefox!! Recent changes RSS feed Valid XHTML 1.0