Combo module III

Combo board is designed to connect external devices to the Robotic Homelab Kit. External devices are conditionally divided into three groups: sensors, motors and communication interfaces. Each group of devices has its own set of connectors, which are separated from each other. For example, connectors for sensors are located in the right part of the module, motors plugs are located on the left and communication interface plugs on top of the module.The plugs for sensors and communication interfaces are connected directly to the controller’s corresponding signal pins, but the connectors of motors are connected to the controller’s pins through the drivers. This allows Combo module to drive more powerful motors which are not drivable to the direct microcontroller pins.

Combo board is able to drive following motors:

  • 4 x DC motors
  • 1 x unipolar stepper motor
  • 4 x servomotor

Connect following sensors:

  • 11 x analog
  • 8 x digital
  • 4 x coder

Use the following communication interfaces:

  • UART (3,3 V supply)
  • Bluetooth / ZigBee / RFID / WiFi / GPS wireless communication modules

The default is installed Bluetooth BTBee Pro wireless communication module.

Combo board with BTBee module

Electrical connections

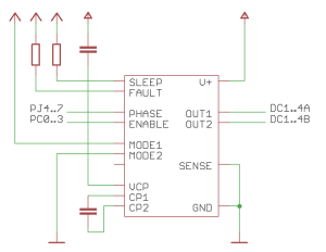
The Combo module plugs are divided into three major groups. The connectors for sensors are located in the right side of the module, motors plugs are located on the left side and communication interface plugs in the top right of the module. The motor connectors are divided into three groups: DC motor, servo motor, and stepper motor. DC and stepper motor feeds come from the Controller module power cord, servo motors feed comes through 5V voltage regulator also from Controller module power cord. Servo motor connector is also multifunctional, which can optionally be connected to the encoder input, which is often used in conjunction with DC motor. Each connector pin is connected to the specific port, supply or ground on the Controller module. The following diagrams illustrate the position of a specific group of pins, connectors and connections with Controller module.

The group of sensors

 
The group of motors

Sensors

ADC sensor inputs

The Combo module has 11 ADC input for an analog sensors. The sensor inputs are moved into the left part of the sensors connector, where each sensor has a separate GND, +3.3 V power supply and signal pin. GND connection is lowest.

Digital inputs

Combo board has 8 digital pins where to connect digital sensors. The digital inputs are moved into the right part of the sensors connector

Supply voltage measurement circuit ADC0

In addition, it is possible to measure the supply voltage of the Combo module. In this case a jumber could be added to Vbat. ADC0 pin is then connected to a voltage divider. This option can be useful for robots to monitor the battery voltage while driving.

DC_REF schematic
Resistor Value
Higher 6.8k
Lower 1k

Coder

Coder shares pins of the Servo output to be able to use four servo motors, or obtain feedback from four coders, or share the connector halves. The encoder is connected to Servo - Encoder connector.

Coder connection scheme
AVR pin Signal
PC4(INT0C) Coder
PC5(INT1C) Coder
PD0(INT0D) Coder
PD1(INT1D) Coder

 

DC motors

DC motors is connected to the DC group of pins. Every pair of pins can control 1 dc motor, thus it's possible to manipulate 4 dc motors. Combo board uses DRV8801 H-bridge to control dc motors. It's possible to manipulate some other device, what can be controlled digitally and it's current is smaller than 1,5 A and voltage does not exceed 16 V, beside dc motor with DC pins (Piezoelectric generator, relay etc).

DC motor connection scheme
AVR pin Signal AVR\ pin Signal
PC0(OCC0A) Motor\ 1A PJ4 Motor\ 1B
PC1(OCC0B) Motor 2A PJ5 Motor 2B
PC2(OCC0C) Motor 3A PJ6 Motor 3B
PC3(OCC0D) Motor 4A PJ7 Motor 4B

Stepper motors

Stepper motors generally divided into two categories: unipolar- and bipolar stepper motors. Unipolar stepper motors can be connect pins group Unipolar Stepper, where the power cable must be connected to the Vbat pin. The remaining four pins are stepper motor driver coil pins. Bipolar stepper motor can be driven with the DC motor pins where one bipolar stepper motor requires two DC motor driver.

Unipolar stepper connection scheme
AVR pin Signal
PJ0 Winding 1A
PJ1 Winding 2A
PJ2 Winding 1B
PJ3 Winding 2B

Servomotors

Servo is connected to Servo - Encoder pins. Ground wire (usually black or braun) is connected to the GND pin (lower pin). It's possible to use 4 servomotors at once. Signal pins on the Combo board is directly connected to the controller's timer's output pins.

Servomotor connection scheme
AVR pin Signal
PC4(OCC1A) PWM
PC5(OCC1B) PWM
PD0(OCD0A) PWM
PD1(OCD0B) PWM

Serial interface

The Combo module can be connected to the external UART or SPI devices.

The external UART device Schematics

Wireless module

One of these modules can be connected to the Combo board:

  • XBee/ZigBee module
  • Bluetooth
  • GPS module
  • RFID module
  • Wifi module

All of these module communicate over the UART interface with the microcontroller. By default bluetooth module BluetoothBee Pro is connected to the Combo module..

Wireless connection scheme

Combo board is connected with 4 wireless module's i/o pins, in addition XBee DIO4 is connected to test LED. XBee pin AD5 is connected to the voltage divider for measuring the voltage across the XBee wireless network.

BluetoothBee Pro module

Pin from wireless module Signal Socket
20(MODE) MODE XBEEADC0
19(STATUS) STATUS XBEEADC1
17(A_RST) XADC3 XBEEADC3

XBee module

Pin from wireless module Signal Socket
20(AD0/DIO0) XADC0 XBEEADC0
19(AD1/DIO1) XADC1 XBEEADC1
18(AD2/DIO2) XADC2 XBEEADC2
17(AD3/DIO3) XADC3 XBEEADC3
11(RF_TX/AD4/DIO4) DIO4 test LED (yellow)
15(ASSOC/AD5/DIO5) PWR Connected with robot's power supply
16(RTS/AD6/DIO6) RST Reset pin form controller module
en/hardware/homelab/combo/v3_1.txt · Last modified: by 127.0.0.1
CC Attribution-Share Alike 4.0 International
www.chimeric.de Valid CSS Driven by DokuWiki do yourself a favour and use a real browser - get firefox!! Recent changes RSS feed Valid XHTML 1.0