Sensormodul

Das Sensormodul besteht au seiner Platine mit Sensoren, Tiefpassfiltern sowie externen Sensoren.

Spezifikationen des Sensormoduls:

  • Elektretmikrofon
  • Lichtstärkenmesser (Photoresistor) VT935G (Widerstand 18,5 kΩ bei 10 lux) Datenblatt
  • Temperatursensor (Thermistor NTC) (Widerstand 10 kΩ bei 25°C) Datenblatt
  • Potentiometer 10 kΩ
  • Ultraschallentfernungsmesser Devantech SRF05 mit Kabel (Reichweite 1-400 cm) Datenblatt
  • Infrarotentfernungsmesser Sharp GP2Y0A21YK0F (Reichweite 10-80 cm) Datenblatt

Elektrische Anschlüsse

Die on-board Sensoren sind wie folgt angeschlossen:

on-board Notationexterne Notationon-board SensorMikrocontroller Port
MICAD0MikrofonPF0
LDRAD1LichtstärkenmesserPF1
NTCAD2TemperatursensorPF2
POTAD3PotentiometerPF3

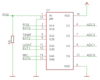
Sensoren

Jeder Sensor der Platine ist über einen Multiplexer angeschlossen, um so zwischen on-board und externem Sensor, welcher an den gleichen Anschluss angeschlossen werden kann, zu wählen. Standardmäßig sind sämtliche on-board Sensoren über die analogen Inputs des Mikrocontrollers (ADC0-ADC3) angeschlossen. Der Multiplexer wird über den Anschluss PG0 gesteuert.

schematische Darstellung des Multiplexers
schematische Darstellung der Sensor Anschlüsse

Tiefpassfilter

Der Tiefpassfilter kann zwischen die externen analogen Inputs 0-3 (PF0-PF3) gesetzt werden. Um den Tiefpassfilter zu bauen, werden Widerstand und Kondensator mit dem Sockel verbunden. Standardmäßig ist ein Tiefpassfilter für den Kanal 0 (PF0) vorgesehen. Der Widerstand hat einen Wert von 10 kΩ und der Kondensator einen Wert von 100 nF.

schematische Darstellung der Anschlüsse für externe Sensoren und Tiefpassfilter

Digitaler Input/Output Anschluss

Zusätzlich zu den Sensoren und analogen Inputs gibt es an der Platine einen Anschluss für digitalen I/O. Die Pins dieses Anschlusses werden direkt mit den Pins PE2-PE5 des Controllers verbunden.

Der D_IO Anschluss
de/hardware/homelab/sensor.txt · Last modified: by 127.0.0.1
CC Attribution-Share Alike 4.0 International
www.chimeric.de Valid CSS Driven by DokuWiki do yourself a favour and use a real browser - get firefox!! Recent changes RSS feed Valid XHTML 1.0