Digitales Input-Output Modul

Das digitale I/O Modul ist für einfache Aufgaben und grundlegende Prozesskontrolle entwickelt. Das Modul hat drei Druckknöpfe und drei LEDs, welche als digitale Input und Outputs eines Microcontrollers genutzt werden können. Zusätzlich zu einfachen LEDs ist das Modul mit einem 7-Segment Indikator und LCD-Display Outputs ausgerüstet. Digitale I/O Module sind nützlich um sie mit anderen Modulen zu nutzen, da sie das Verhalten von Output Devices kontrollieren können, wie Motoren und Anzeigen von Sensordaten.

Modulfeatures:

  • grüne, gelbe, und rote LED;
  • drei Druckknöpfe;
  • 7-segment Indikator;
  • Alphanumerischer LCD Anschluss;
  • Graphischer LCD Anschluss;
  • Ultraschallentfernungsmesser Anschluss.

Elektrische Verbindungen

Controller module and Digital i/o module connection

Das digitale I/O Modul ist mit einem Controllermodul über ein Flachbandkabel an Port PA/PC/PG verbunden, welche die 8-pin Ports PA und PC und der 3-Pin Port PG sind. as Modul wird über den gleichen Kabel mit Strom versorgt. Wenn das Board richtig angeschlossen wird leuchtet die on-board SMD LED +5V_OK auf. Falls nicht, ist der Kabel wahrscheinlich falsch angeschlossen.

Das digitale I/O Modul besitzt drei Knöpfe S1, S2, S3 welche an den Ports PC0, PC1, PC2 angeschlossen sind. Das andere Ende der knöpfe ist über Widerstände an die Erde angeschlossen (logische 0). LED1, LED2, LED3 des Moduls sind an die Ports PC3, PC4, PC5 angeschlossen. Die Anoden der LEDs, sind an der Betriebsspannung (logical 1) angeschlossen.

Schematics of buttons and LEDs

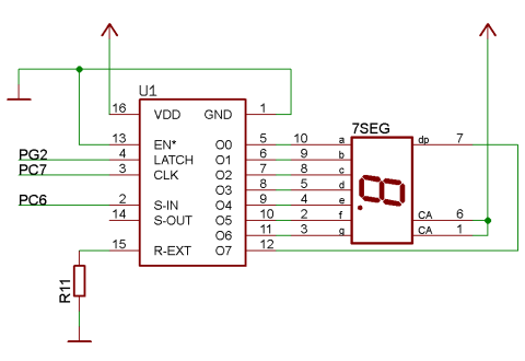
Das digitale I/O Board ist mit einem 7-Segment Indikator ausgestattet, welcher an den Microcontrollerports über den Treiber A6275 angebunden ist.Der Treiber DatenBus (S-IN)ist am Pin PC6 angeschlossen, Taktsignal (CLK) an Pin PC7 und das Latchsignal (LATCH) an Pin PG2.

Schematics of 7-segment indicator

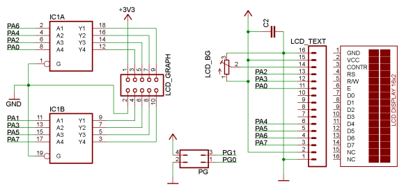
Das Modul hat zwei verschiedene Anschlüsse für den Port PA. Der Port ist gleichzeitig an verschiedene Pinoutgruppen angeschlossen, wobei eine über einen Spannungskonverter das Nutzen von 3.3V Geräten (z.B. LCD) erlaubt. Der andere Port PA Pinout ist direkt am Microcontrollerport angeschlossen (5V Level) und ist auf Standard-2×16 alphanumerische LCDs abgestimmt. Zwei ungenutzte Ports - PG0 und PG1 sind am Board zusammen mit Erde und Betriebsspannung gruppiert.(ab Modulversion 3.3). Verschiedene Geräte können daran angeschlossen werden, z.B. ein Ultraschallentfernungsmesser. Es muss jedoch vorsichtig agiert werden, wenn man die Stromversorgung des Ultraschallsensors richtig anschließen will. Wenn man Erde und Betriebsspannung vertauscht wird der Sensor beschädigt. Für den Ultraschallsensor: Das schwarze Kabel mit der Erde (GND onboard) und das rote mit der Betriebsspannung. Die Signalkabel sollten an Port PG0 und PG1 angeschlossen werden.

Schematics of LCD

Das Modul anschließen

Wenn man das Modul anschließt sollte die folgende Reihenfolge eingehalten werden: Bevor man irgendetwas anschließt sollte der Strom vom Controllerboard genommen werden.

- Schließe das digitale I/O Modul an dem Controllermodul mit dem Flachbandkabel an
- Falls nötig schließe den JTAG Programmer am Controllermodul an.
- Schließe die Stromversorgung am Controllermodul an
Connecting the Digital i/o module
de/hardware/homelab/digi.txt · Last modified: by 127.0.0.1
CC Attribution-Share Alike 4.0 International
www.chimeric.de Valid CSS Driven by DokuWiki do yourself a favour and use a real browser - get firefox!! Recent changes RSS feed Valid XHTML 1.0