Hello !
?
Trace:
•
Electrical Characteristic Sensors
•
Annexe 1
•
[Scenario Short Code]: [Scenario name]
•
IoT Networks
•
The LCD Display
•
Authors
•
RGB LED moodul
•
Introduction
•
Safety Concerns and Public Acceptance
•
Annexe 4
Search
Introduction
preface
Micro-contrôleurs et robotique
Microcontrôleur AVR
Electronique
HomeLab Mécatronique et Robotique
Kit ARM-CAN
Wiper
Kit AVR-CAN
Kit Essuie-glace
Introduction
Carte Aton CAN PC104
Carte processeur EID-210
Essuie-glace
Annexes
Annexe 1
Annexe 2
Annexe 3
Annexe 4
Exemples
Exercices
Exemples
Exercices
Projets exemple
Matériel
Supervisor
Developers
Show pagesource
Old revisions
Recent Changes
Backlinks
Media Manager
Sitemap
Log In
Back to top
Table of Contents
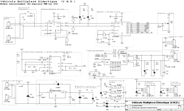
Annexe 4
Schéma structurel de la carte 8 entrées
Schéma structurel de la carte "Asservissement
Annexe 4
Schéma structurel de la carte 8 entrées
Schéma structurel de la carte "Asservissement
fr/hardware/didalab/annexes/annexe4.txt
· Last modified:
2020/07/20 12:00
by
127.0.0.1