This is an old revision of the document!


Kasutajaliidese moodul III

Kasutajaliidese moodul on mõeldud lihtsamateks harjutusteks ja elementaarseks protsessi juhtimiseks. Moodulil on kolm nupp-lülitit ja kolm valgusdioodi (LED), mida saab kasutada AVR sisend-väljundviikudega. Lisaks lihtsatele valgusdioodidele on moodul varustatud 7-segmendilise LED numberindikaatoriga, graafilise LCD ekraaniga ning kõlariga. Kasutajaliidese moodulile on paigaldatud 4 analoogandurit: potentsiomeeter, fototakisti, termistor ja mikrofon. Kasutajaliidese moodulit on mugav kasutada koos teiste moodulitega, võimaldades juhtida näiteks mootoreid ja kuvada andurite lugemeid. Moodul on kaetud pleksiklaasist kattega, kaitstes seda juhuslikult plaadile sattuvate metallesemete eest, mis võiksid tekitada elektrilisi lühiühendusi.

Moodul on varustatud:

  • Rohelise, kollase ja punase valgusdioodiga (LED)
  • Kolme mikrolülitiga
  • 7-segmendilise LED numberindikaatoriga
  • Graafilise LCD-ga
  • Kõlariga
  • Potentsiomeetriga
  • Fototakistiga
  • Termistoriga
  • Mikrofoniga

Kasutajaliidese moodul

Elektrilised ühendused

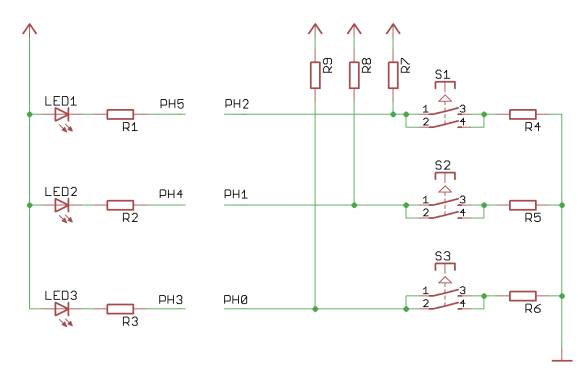
Moodul on varustatud kolme nupuga: S1, S2 ja S3, mis on ühendatud vastavalt PH2, PH1, PH0 viikudega. Nuppude teine ots on läbi kaitsetakistite ühendatud maaga (loogiline 0). Moodulil olevad LED-id: LED1, LED2 ja LED3 on ühendatud vastavalt PH5, PH4 ja PH3 viikudega. LED-ide teine ots (anood) on ühendatud läbi takisti toitega (loogiline 1).

Nuppude ja LED-ide ühenduse skeem

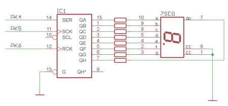
Kasutajaliidese moodul on varustatud ühe 7-segmendilise numberindikaatoriga, mis on ühendatud kolme mikrokontrolleri väljundviiguga läbi nihkeregistri 74HC595. Nihkeregistri andmesignaal (SER) on ühendatud viiguga PK4, taktisignaal (CLK) viiguga PK5 ja lukustussignaal (LATCH) viiguga PK6.

7-segmendilise numberindikaatori ühenduse skeem

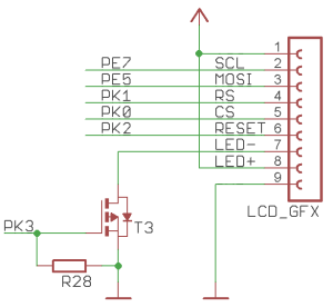
Kasutajaliidese moodulil paikneb graafiline LCD ekraan. LCD ekraan on ühendatud pordi PE SPI siinile (MOSI - PE5, SCK - PE7). Ülejäänud LCD juhtsignaalid asuvad pordis PK.

LCD ekraani ühenduse skeem

Moodulile on paigaldatud kõlar, mis on ühendatud kontrolleri viiguga PB3, mis käitub digitaal-analoog muundurina. Helisid saab genereerida Kodulabori teegi abil või enda koostatud programmi alusel.

Heligeneraatori ühenduse skeem

Kasutajaliidesele paigutatud andurid on ühendatud otse mikrokontrolleri analoog-digitaal muunduri viikudega.

Andurite ühenduse skeem


Märge plaadilPlaadil olev andurMikrokontrolleri viik ADC kanali number
MICMikrofonPB4 ADC12
LDRValgustugevuse andurPB5 ADC13
NTCTemperatuuriandurPB6 ADC14
POTPotentsiomeeterPB7 ADC15

Mooduli ühendamine

Mooduli ühendamine on soovitatav teostada alltoodud järjekorras. Enne ühendamist veenduda, et Kontrollermooduli toide oleks lahti ühendatud.

  1. Ühendada ettevaatlikult Kasutajaliidese moodul Kontrollermooduliga.
  2. Ühendada Kontrollermoodul arvutiga või välise toiteallikaga.

Mooduli ühendamine

et/hardware/homelab/digi/v3_1.1412322011.txt.gz · Last modified: (external edit)
CC Attribution-Share Alike 4.0 International
www.chimeric.de Valid CSS Driven by DokuWiki do yourself a favour and use a real browser - get firefox!! Recent changes RSS feed Valid XHTML 1.0