This is an old revision of the document!


 

Kombomoodul III

Kombomoodul on mõeldud väliste seadmete ühendamiseks Robootika Kodulabori komplektiga. Ühendatavad välised seadmed on tinglikult jaotatud kolme gruppi: andurid, mootorid ja kommunikatsiooniliidesed. Igale seadme grupile on oma ühenduspistikute komplekt, mis on moodulil üksteisest eraldatud. Näiteks asuvad andurite ühenduspistikud mooduli paremas osas, mootorite pistikud vasakus osas ja kommunikatsiooniliidese pistikud mooduli peal. Kui andurite ja kommunikatsiooniliideste pistikud on ühendatud otse kontrolleri vastavate signaaliviikudega, siis mootorite pistikud on ühendatud kontrolleri viikudega läbi juhtajurite ehk draiverite. See võimaldab Kombomooduliga juhtida oluliselt võimsamaid mootoreid, kui seda suudaks mikrokontroller otse oma väljundviikudega.

Kombomooduli abil on võimalik juhtida järgmisi mootoreid:

  • 4 x alalisvoolumootor
  • 1 x unipolaarne samm-mootor
  • 4 x servomootor

ühendada järgmisi andureid:

  • 11 x analoog
  • 8 x digitaal
  • 4 x kooder

Kasutada järgmisi kommunikatsiooniliideseid:

  • UART (3,3 V toitel)
  • Bluetooth / ZigBee / RFID / WiFi / GPS juhtmavaba side moodul

Standardlahendusena on Komboplaadile paigaldatud Bluetooth BTBee Pro juhtmevaba side moodul.

Kombomoodul koos BTBee mooduliga

Elektrilised ühendused

Kombomooduli pistikud on jagatud kolme suuremasse gruppi. Andurite ühenduspistikud on mooduli paremal küljel, mootorite ühenduspistikud mooduli vasakul küljel ja kommunikatsiooniliideste pistikud mooduli peal paremas ülaservas. Mootorite pistikud on omakorda jagatud veel kolme gruppi, milleks on alalisvoolumootorite pistikud, servomootori pistikud ja samm-mootori pistik. Alalisvoolu- ja samm-mootori toited tulevad Kontrolleriplaadi toitepistikust, servomootori toide tuleb samuti Kontrollerplaadi toitepistikust, kuid on reguleeritud pingeregulaatori abil 5 V tasemel. Servomootori pistik on omakorda multifunktsionaalne, kuhu saab soovi korral ühendada ka koodri sisendis, mis on tihti kasutusel koos alalisvoolumootoriga. Iga pistiku viik on ühendatud kontrolleri mingisse kindlasse porti, toitesse või maa ühendusse. Alljärgnevad skeemid illustreerivad,​ konkreetse pistikute grupi viikude asetust ja ühendusi Kontrollermooduliga.

Andurite pistikute grupp

 
Mootorite pistikute grupp

Andurid

Analoogsisendid

Kombomoodulile saab ühendada kuni 11 analoogsignaali väljastavat andurit. Andurite sisendid on jaotatud anduri pistiku vasakusse ossa, kus igale andurile on eraldi maa, +3,3 V toite ja signaali viik. Maa ühendus on alumine.

Digitaalsisendid

Kombomooduliga saab ühendada kuni 8 digitaalse väljundiga andurit. Digitaalsed sisendid on jaotatud sisendpistiku paremasse otsa.

Toitepinge mõõtmise ahel ADC0

Lisaks on võimalik Kombomooduli toitepinget mõõta. Selleks tuleb sillata Kombomoodulil asuv sildühendus (inglise keeles jumper) VBat. ADC0 viik on sellisel juhul ühendatud plaadil oleva pingejaguriga. Seda võimalust võib näiteks kasutada roboti akupinge monitoorimiseks sõidu ajal.

DC_REF skeem
Takisti Väärtus
Ülemine 6.8k
Alumine 1k

Kooder

Kooder jagab viike Servo väljundiga, et oleks võimalik kasutada, kas nelja servomootorit või saada tagasisidet neljalt koodrilt või jagada pistik pooleks. Kooder ühendatakse Servo - Encoder pistikusse.

Koodri ühendamise skeem
AVR viik Signaal
PC4(INT0C) Kooder
PC5(INT1C) Kooder
PD0(INT0D) Kooder
PD1(INT1D) Kooder

Mootorid

Alalisvoolumootorid

Alalisvoolumootorid ühendatakse DC viikude gruppi. Iga paar suudab hakkama saada ühe mootoriga - kokku 4 alalisvoolumootorit. Mootorite juhtimiseks kasutatakse DRV8801 H-silda. Mootoreid on võimalik asendada ka mõne muu seadmega, mida on võimalik digitaalselt juhtida ning mille poolt tarbitav vool ei ületa 1,5 A ja pinge 16 V (piezogeneraator, relee vms).

Alalisvoolumootorite ühenduste skeem
AVR viik Signaal AVR\ viik Signaal
PC0(OCC0A) Mootor\ 1A PJ4 Mootor\ 1B
PC1(OCC0B) Mootor 2A PJ5 Mootor 2B
PC2(OCC0C) Mootor 3A PJ6 Mootor 3B
PC3(OCC0D) Mootor 4A PJ7 Mootor 4B

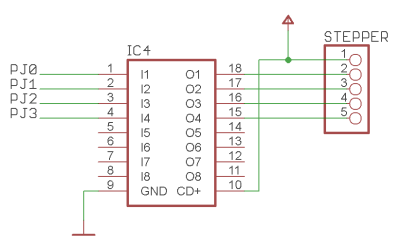
Samm-mootorid

Samm-mootorid jagatakse üldjuhul kaheks: unipolaarsed- ja bipolaarsed samm-mootorid. Unipolaarse samm-mootori saab ühendada viikude gruppi Unipolar Stepper, kus toitekaabel peab olema ühendatud Vbat viiku. Ülejäänud 4 viiku on samm-mootori mähiste juhtviigud. Bipolaarset samm-mootorit saab juhtida alalisvoolumootori viikudega, kus ühe bipolaar samm-mootori jaoks on vaja kahe alalisvoolumootori juhtviike.

Unipolaarse samm-mootori ühenduse skeem
AVR viik Signaal
PJ0 Mähis 1A
PJ1 Mähis 2A
PJ2 Mähis 1B
PJ3 Mähis 2B

Servomootorid

Servomootorid ühendatakse Servo - Encoder viikudesse. Maa kaabel (tavaliselt must või pruun) ühendatakse GND viiguga (alumine viik). Korraga on võimalik kasutada nelja servomootorit. Signaali viigud on ühendatud otse mikrokontrolleri taimeri väljunditega.

Servomootorite ühenduste skeem
AVR viik Signaal
PC4(OCC1A) PWM
PC5(OCC1B) PWM
PD0(OCD0A) PWM
PD1(OCD0B) PWM

Jadaliides

Kombomooduliga on võimalik ühendada väline UART või SPI seade.

Välise UART seadme ühenduse skeem

Juhtmevaba moodul

Kombomoodulile on võimalik paigaldada üks järgnevatest moodulitest:

  • XBee/ZigBee moodul
  • Bluetooth
  • GPS moodul
  • RFID moodul
  • Wifi moodul

Kõik loetletud moodulid suhtlevad mikrokontrolleriga üle UART liidese. Vaikimisi on Kombomoodulile paigaldatud bluetooth moodul BluetoothBee Pro.

Juhtmevaba mooduli ühendamise skeem

Kombomoodulil on ühendused juhtmevaba mooduli 4 sisend-väljundviigu jaoks, lisaks on XBee DIO4 viiguga ühendatud test LED ning XBee viiku AD5 on ühendatud pingejagur toitepinge mõõtmiseks üle XBee raadiovõrgu.

BluetoothBee Pro moodul

Juhtmevada mooduli viik Signaal Pesa
20(MODE) MODE XBEEADC0
19(STATUS) STATUS XBEEADC1
17(A_RST) XADC3 XBEEADC3

XBee moodul

Juhtmevada mooduli viik Signaal Pesa
20(AD0/DIO0) XADC0 XBEEADC0
19(AD1/DIO1) XADC1 XBEEADC1
18(AD2/DIO2) XADC2 XBEEADC2
17(AD3/DIO3) XADC3 XBEEADC3
11(RF_TX/AD4/DIO4) DIO4 test LED (kollane)
15(ASSOC/AD5/DIO5) PWR Ühendatud roboti toitega
16(RTS/AD6/DIO6) RST Reset viik Kontrollermoodulil
et/hardware/homelab/combo/v3_1.1424445117.txt.gz · Last modified: (external edit)
CC Attribution-Share Alike 4.0 International
www.chimeric.de Valid CSS Driven by DokuWiki do yourself a favour and use a real browser - get firefox!! Recent changes RSS feed Valid XHTML 1.0