This is an old revision of the document!


SUT AVR Assembler Laboratory Node Hardware Reference

Introduction

Each laboratory node is equipped with an Arduino Uno R3 development board, based on the ATmega328P MCU. It also has two extension boards:

  • external, analogue and digital communication board,
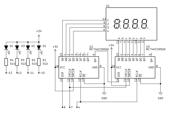
  • user interface board presented on the image 1.

There are 10 laboratory nodes. They can be used independently, but for collaboration, nodes are interconnected symmetrically, with GPIOs described in the hardware reference section below.

Hardware reference

The table 1 lists all hardware components and details. Note that some elements are accessible, but their use is not supported via the remote lab, e.g., buttons and a buzzer.
The node is depicted in the figure 1 and its interface visual schematic is presented in the figure ref-_sutavrlabimage1_2. The schematic presents only components used in scenarios and accessible via the VREL NextGen environment (controllable and observable via video stream), omitting unused components such as buttons, a buzzer, and a potentiometer.

Figure 1: AVR (Arduino Uno) SUT Node
Figure 2: SUT node's visual interface components schematic
Table 1: AVR (Arduino Uno) SUT Node Hardware Details
Component ID Component Hardware Details (controller) Control method GPIOs (as mapped to the Arduno Uno) Remarks
D1 LED (red) direct via GPIO binary (0→on, 1→off) GPIO13
D2 LED (red) direct via GPIO binary (0→on, 1→off) GPIO12
D3 LED (red) direct via GPIO binary (0→on, 1→off) GPIO11
D4 LED (red) direct via GPIO binary (0→on, 1→off) GPIO10 shared with interconnection with another module

Communication

Devices (laboratory nodes) are interconnected in pairs, so it is possible to work in groups and implement scenarios involving more than one device:

  • node 1 with node 2,
  • node 3 with node 4,
  • node 5 with node 6,
  • node 7 with node 8,
  • node 9 with node 10.

Interconnections are symmetrical, so that device 1 can send data to device 2 and vice versa (similar to serial communication). Note that analogue inputs are also involved in the interconnection interface. See image 3 for details.

Figure 3: SUT AVR nodes interconnection diagram

The in-series resistors protect the Arduino boards' outputs from excessive current when both pins are configured as outputs with opposite logic states.

The capacitors on the analogue lines filter the PWM signal, providing a stable voltage for the analogue-to-digital converter to measure.

Table 2: AVR (Arduino Uno) SUT Node Interconnections
Arduino Uno pin name AVR pin name Alternate function Comment
D2 PD2 INT0 Interrupt input
D5 PD5 T1 Timer/counter input
D6 PD6 OC0A PWM output to generate analogue voltage
D9 PB1 OC1A Digital output / Timer output
D10 PB2 OC1B Digital output / Timer output
A5 PC5 ADC5 Analogue input

Such a connection makes it possible to implement a variety of scenarios:

  • Connection of OC0A to ADC5 allows you to generate a voltage for measuring on input 5 of the analogue-to-digital converter.
  • Connection of OC1A to INT0 allows you to generate a digital periodic signal that can trigger hardware interrupts.
  • Connection of OC1B to T1 allows you to generate a digital periodic signal, the pulse count of which can be counted using timer T1.
Nodes are interconnected in pairs: 1-2, 3-4, 5-6, 7-8, 9-10. Scenarios for data transmission between MCUs require booking and the use of correct nodes for sending and receiving messages.
en/multiasm/exercisesbook/avr/sut.1774434194.txt.gz · Last modified: by pczekalski
CC Attribution-Share Alike 4.0 International
www.chimeric.de Valid CSS Driven by DokuWiki do yourself a favour and use a real browser - get firefox!! Recent changes RSS feed Valid XHTML 1.0