Communication Module v5.0

The Communication module is designed to provide either the wired or wireless communication capabilities. Communication can be established between the controllers, controller and PC, or controller and external device.

The main communication protocol used with this board is a serial interface - UART. The controller module can provide a two channel UART connection, which can be connected to wired RS232 connectors or wireless ZigBee / Bluetooth module. The selection is done by on-board jumpers. Simultaneously, it is possible to use two parallel UART connections, but the user can choose (with the selection of jumpers) where the controller UART signals are routed. It is even possible to mix one UART Rx and Tx signals between different connectors.

For example, if one external device only sends the information (e.g., RFID reader) and another only receives (e.g., serial LCD), it is possible to use more than two UART devices in parallel.

Communication module equipped with XBee module

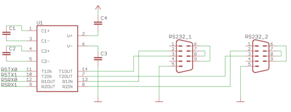
The module is equipped with two DB-9 connectors, which are routed through the TTL converter MAX232.

NB! This communication module is not compatible with the old controller module (Atmega128). In case you are planning to use this communication module and the old controller module, you need to perform a little modification on the controller module.

Do not operate the communication module before disconnecting the MAX232 driver on the controller module.

(See the guide)

Reason: The communication module version 5 is designed for the controller module version 5. The old controller module has the RS232 interface on the module, and it overdrives the communication module RS232 interface that results in the short circuit.

Wireless Modules

The module is equipped with the wireless modules, either the ZigBee or Bluetooth ones.

Following wireless models can be found on the board:

It is also possible to use the GPS receiver instead of above modules. This module is optional and is provided upon separate request.

 

Electrical Connections

The communication board is connected with the controller module to the port PE-PB-PD. With a jumper it is possible to select which external connector is routed to the microcontroller UART ports.

Schematics of port connector and jumpers

RS232 Connectors

DB-9 connectors are for connecting the external devices, another controller or PC in case another device meets the RS232 standard interface. If one wants to connect two controller modules, the cross-wired cable (also known as zero-modem cable) must be used.

Schematics of RS232 connectors

UART Connector

Several devices have a UART interface instead of RS232. The communication board has one UART connector under the wireless module.

UART connector pins:

Pin Signal
1 Tx
2 Rx
3 Vcc (5V)
4 GND

Wireless Connector

Two 2 mm socket rows are intended for the wireless module connection, e.g., Zigbee, Bluetooth or GPS. Only UART signals and 3.3 V power lines are connected as shown on the table below.

Pin Signal
1 Vcc (3V3)
2 Rx
3 Tx
10 GND
Schematics of UART connectors
en/hardware/homelab/communication/v50.txt · Last modified: by 127.0.0.1
CC Attribution-Share Alike 4.0 International
www.chimeric.de Valid CSS Driven by DokuWiki do yourself a favour and use a real browser - get firefox!! Recent changes RSS feed Valid XHTML 1.0