Gleichstrommotor

der Betrieb eines Gleichstrommotors (DC Motor) basiert, wie alle elektrischen Motoren, auf Elektromagnetismus. The operation of direct current (DC) motors, like all other electric motors, is based on simple electromagnetism. Gleichstrommotoren mit Bürsten haben zwei Kabelverbindungen, eine positive und eine negative. Die Rotationsrichtung wird über die Polarität bestimmt, die Geschwindigkeit über die Spannung.

Steuern des Gleichstrommotors:

Eine H-Brücke oder zwei Halbbrückentreiber können eingesetzt werden um einen Gleichstrommotor vorwärts und rückwärts laufen zu lassen. Als Schaltung können fertige Anwendungsspezifische Integrierte Schaltungen (engl. application specific integrated circuit, ASIC) genutzt werden, oder eine aus einzelnen Komponenten, wie z.B. Transistoren, selbst zusammengebaut werden. In diesem Lab kommt der IC L293D zum Einsatz, welcher 4 Halbbrückentreiber, geeignet zur Ansteuerung von 2 DC-Motoren, bietet.

Einfaches Testprogramm

Mit diesem kompilierten Programm lässt sich das Set-Up der Geräte testen. Der Gleichstrommotor ist an DC1 Port 2 und der Servomotor an PWM1 angeschlossen. mootorite_testv5.hex

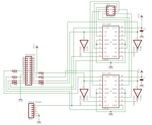
Schaltplan

Steuersignale vom ATmega128 zum Actuator-Board

Verbinden der Komponenten

Elektrische Verbindungen

  1. Strom abschalten
  2. Verbinde das Actuator-Board und das Main-Board mit einem 26-pin Kabel.
  3. Verbinde die Gleichstrommotoren mit dem Actuator-Board (siehe Bild).
  4. Verbinde den JTAG Converter mit dem ATmega128 Main-Board und dem PC.
  5. Schließe Strom an das Main- und Actuator-Board an.

Example code

/*-------------------------------------------------------------
Title: DC motor with Actuator Board
Date: 080424
Ver.: 1.2
Compiler: AVR-GCC
Target: ATmega128
Hardware: ATmega128 controller board, Actuator board, DC motor
Author: Raivo Sell 2008
Notes: in1 PD7 in2 PD6
Optimization: -O0 (needed for delay function)
Description: Start and stop the DC motor and change the rotation direction. 
Motor is connected to the DC1 pins 3
---------------------------------------------------------------*/
#define SET(x) |= (1<<x) //set bit high bit in pin x
#define CLR(x) &=~(1<<x) //set bit low bit in pin x
#define MS (100) //defines delay
#define F_CPU 14745600UL //CPU Frequency (influences delay function)
#include <avr/io.h>
///////////////// Functions //////////////////////////////////
void dc_drive(int pin, int op){ // DC motor control function
	if (op==1) PORTD SET(pin);
	else PORTD CLR(pin);
}
 
void _delay_ms(int t){ // Delay function
	int i,j;
	for (i=0;i<t;i++){
		for (j=0;j<8000;j++){}
	}
}
///////////////// Main function //////////////////////////////////
int main (void){
	DDRD = 0xFF;// set port direction (output)
	PORTD = 0x00;// initialize port
	while(1){
		dc_drive(6,1); // Start DC motor
		dc_drive(7,0);
		_delay_ms(MS); // Wait for a second
		dc_drive(6,0); // Change direction
		dc_drive(7,1);
		_delay_ms(MS); // Wait for a second
		dc_drive(6,0); // Stop DC motor
		dc_drive(7,0);
		_delay_ms(MS); // Wait for a second
	}
}
de/examples/motors/dc.txt · Last modified: by 127.0.0.1
CC Attribution-Share Alike 4.0 International
www.chimeric.de Valid CSS Driven by DokuWiki do yourself a favour and use a real browser - get firefox!! Recent changes RSS feed Valid XHTML 1.0