Taktgeber

Wie die meiste digitale Elektronik, arbeitet auch der AVR in einer konstanten Frequenz. Eine konstante Frequenz versichert die Zuverlässigkeit von Datenaustausch im Gerät. Es gibt unterschiedliche Methoden um ein Taktsignal für den AVR zu generieren.

Interner RC Oszillator

Using an RC oscillator

Dies ist ein interner Taktgeber, welcher keine externen Komponenten benötigt. Seine größten Nachteile sind niedrige Taktfrequenz und Ungenauigkeit.

Externer RC Oszillator

Funktioniert nach dem gleichen Prinzip wie ein interner Taktgeber und hat keine signifikanten Vorteile gegenüber diesem.

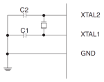
Schwingquarz

Using a crystal oscillator

Schwingquarze nutzen einen Kristall (gewöhnlich einen Quarz), welcher in einem elektrischen Feld in seiner Resonanzfrequenz vibriert. Er hat die piezoelektrische Eigenschaft bei mechanischer Deformation (Vibration) ein elektrisches Feld zu produzieren. Schwingquarze haben eine Präzision von ca. 0.001%, welche temperaturunabhängig ist.

Keramische Resonatoren

Keramische Resonatoren ähneln den Schwingquarzen, sind aber aus günstigeren piezoelektrischen Materialien gemacht. Keramische Resonatoren sind in der Regel kleiner als Schwingquarze, aber weniger genau (~0.5%) und weniger stark temperaturabhängig.

Externes Taktsignal

Using an external clock signal

Ein Externes Taktsignal kann mit jedem Gerät erzeugt werden, solange die Frequenz und die Amplitude (Spannung) im richtigen Bereich liegen. Zum Beispiel kann ein externer Taktgeber benutzt werden um ein Taktsignal gleichzeitig an mehrere Microcontroller weiterzugeben.

de/avr/clock.txt · Last modified: by 127.0.0.1
CC Attribution-Share Alike 4.0 International
www.chimeric.de Valid CSS Driven by DokuWiki do yourself a favour and use a real browser - get firefox!! Recent changes RSS feed Valid XHTML 1.0