This is an old revision of the document!


Andurite moodul

Andurite moodul koosneb integreeritud andurite- ja madalpääsu filtri plaadist ning kaugusanduritest.

Anduri moodul on varustatud:

  • Ultraheli kaugusanduriga SRF05 koos kaabliga (nägemisulatus 1 cm - 400 cm) andmeleht
  • Infrapuna kaugusandur SHARP (nägemisulatus 10 cm - 80 cm) andmeleht
  • Valgustundlik andur (fototakisti) VT935G 10 kΩ andmeleht
  • Temperatuuriandur (termistor NTC) 10 kΩ andmeleht
  • Potentsiomeeter 5 kΩ

Elektrilised ühendused

Mooduli ja kontrolleri vaheline ühendus

Andurid

Andurid on ühendatud läbi jumperi, võimaldades kontrolleri sisendisse suunata, kas välise anduri signaali (ühendatud pistikusse X1/COM2) või plaadil oleva anduri signaali. Vaikimisi on analoog sisenditega (PF0-PF3) ühendatud kõik plaadil olevad andurid.

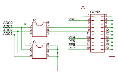
Andurite ühenduse skeem

Madalpääsu filter

Madalpääsu filtri saab koostada analoogsisendite 0-3 vahele (PF0-PF3). Madalpääsu filtri koostamiseks paigutatakse vastavatesse pesadesse takisti ja kondensaator. Vaikimisi on madalpääsu filter koostatud kanalile PF0. Takisti väärtuseks on 10 kΩ ja kondensaatori väärtuseks 100 nF.

Madalpääsu filtri ühenduse skeem

Mooduli ühendamine

Mooduli ühendamisel on soovitav järgida allolevat järjekorda ja kontrollerplaadi toitepistik ühendada alati kõige viimasena.

  1. Ühendada moodul kontrolleriga (20-soonega ribakaabel) PF-PF
  2. Ühendada vajadusel infrapuna kaugusandur (must juhe - GND)
  3. Ühendada vajadusel ultraheli kaugusandur (must juhe - GND)
  4. Ühendada vajadusel Digitaal-sisend/väljundplaat ja LCD ekraan
  5. Ühendada kontrollerplaadi toide
Anduriplaadi ühendamine
et/hardware/sensor.1264518992.txt.gz · Last modified: (external edit)
CC Attribution-Share Alike 4.0 International
www.chimeric.de Valid CSS Driven by DokuWiki do yourself a favour and use a real browser - get firefox!! Recent changes RSS feed Valid XHTML 1.0