This is an old revision of the document!


LCD moodul

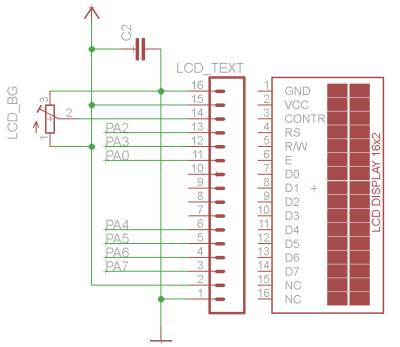
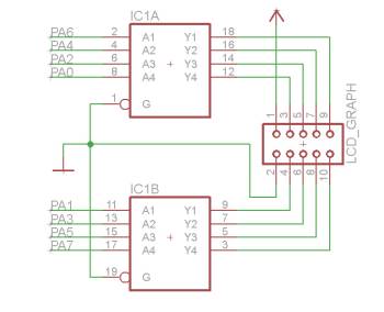
LCD moodul on loogiline moodul, mis hõlmab endas Digitaal plaadi ühendusi ja erinevat tüüpi LCD ekraane. Digitaal plaadi külge on võimalik ühendada 5 V nivool töötavaid tekstilisi LCD ekraane ja alates Digitaal plaadi versioonist 3.2 ka 3,3 V nivool töötavaid graafilisi LCD ekraane. Tekstilise ekraani kontrastsuse reguleerimiseks on Digitaal plaadil väike potentsiomeeter (LCD_BG). Graafilise LCD ekraani kontrastsust reguleeritakse tarkvaraliselt. LCD ekraanid on ühendatakse porti PA. Korraga saab kasutada ainult ühte LCD ekraani.

Elektrilised ühendused

LCD ekraani ühendamine

  1. Ühendada Digitaal sisend/väljundplaat kontrollerplaadiga kasutades ribakaablit
  2. Ühenda graafiline või teksti ekraan Digitaal sisend/väljund plaadiga (mitte mõlemad korraga)
  3. Ühendada vajadusel JTAG programmaator kontrollerplaadiga
  4. Ühendada kontrollerplaadi toide

et/hardware/lcd.1260362804.txt.gz · Last modified: (external edit)
CC Attribution-Share Alike 4.0 International
www.chimeric.de Valid CSS Driven by DokuWiki do yourself a favour and use a real browser - get firefox!! Recent changes RSS feed Valid XHTML 1.0