This is an old revision of the document!


LCD moodul

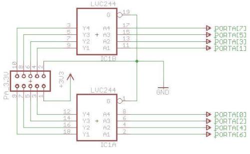
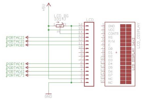
LCD moodul on loogiline moodul, mis hõlmab endas digitaalplaadi ühendusi ja erinevat tüüpi LCD ekraane. Digital plaadi külge on võimalik ühendada 5 V nivool töötavaid tekstilisi LCD ekraane ja alates Digitaalplaadi versioonist 3.2 ka 3,3 V nivool töötavaid graafilisi LCD ekraane. Tekstilise ekraani kontrastsuse reguleerimiseks on Digitaalplaadil väike potentsiomeeter (LCD_BG). Graafilise LCD ekraani kontrastsust reguleeritakse tarkvaraliselt. LCD ekraanid on ühendatud porti PA. Korraga ei ole võimalik mõlemat tüüpi ekraane kasutada.

Tekstilise LCD ekraani ühendamine

Elektrilised ühendused

Graafilise LCD ekraani ühendamine

Elektrilised ühendused

et/hardware/lcd.1256247329.txt.gz · Last modified: (external edit)
CC Attribution-Share Alike 4.0 International
www.chimeric.de Valid CSS Driven by DokuWiki do yourself a favour and use a real browser - get firefox!! Recent changes RSS feed Valid XHTML 1.0