This is an old revision of the document!


Andurite moodul v5.2

Koostamisel

(Versioon 5.2)

Andurite moodulisse on kombineeritud valik andureid, madalpääsufilter ja väliste andurite ühendamise võimalus.

Andurite mooduli võimalused

  • Elektreetmikrofon
  • Valgustugevuse andur (fototakisti) VT935G (takistus 10 lux valgustugevuse puhul 18,5 kΩ) andmeleht
  • Temperatuuriandur (termistor NTC) (takistus 25 °C puhul 10 kΩ) andmeleht
  • 10 kΩ potentsiomeeter
  • Ultraheli kaugusandur Devantech SRF05 koos kaabliga (mõõtevahemik 1-400 cm) andmeleht
  • Infrapuna kaugusandur Sharp GP2Y0A21YK0F (mõõtevahemik 10-80 cm) andmeleht

Elektrilised ühendused

Plaadil olevad andurid on ühendatud järgnevalt:

märge plaadilvälise ühenduse märgeplaadil olev andurmikrokontrolleri viik
MICAD0MikrofonPF0
LDRAD1Valgustugevuse andurPF1
NTCAD2TemperatuuriandurPF2
POTAD3PotentsiomeeterPF3

Andurid

Kõik andurid on kontrolleriga ühendatud läbi multiplekseri, võimaldades töö käigus lülituda plaadil asuva ja välise anduri vahet. Vaikimisi on kõik plaadil asuvad andurid ühendatud mikrokontrolleri analoogsisenditesse (ADC0-ADC3). Multiplekserit juhitakse viigu PG0 kaudu.

Multiplekseri skeem
Andurite ühenduste skeem

Madalpääsufilter

Madalpääsufiltrit on võimalik luua väliste analoogsisendite 0-3 ja kontrolleri viikude vahele (PF0-PF3). Takisti ja kondensaator ühendatakse vastavasse pesasse. Vaikimisi on madalpääsufilter ehitatud kanali 0 (PF0) jaoks. Takisti väärtuseks on 10 kΩ ja kondensaatori väärtuseks 100 nF.

Väliste andurite ühenduste ja madalpääsufiltrite skeem

Digitaalne sisend-väljund ühendus

Lisaks anduritele ja analoogsisenditele on andurite plaadil ka pistik digitaalsete sisend-väljund ühenduste loomiseks. Pistiku viigud on ühendatud otse kontrolleri viikudega PE2-PE5. Kasutusel on ka digitaalne jadaliides (74HCT165D), kuhu on mugav ühendada ühte tüüpi andureid. Digitaalne jadaliides on ühendatud järgmiselt: takt - PC7, andmed - PA6, paralleel sisend - PA7.

Digitaal sisendid

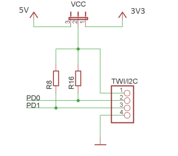
I2C ühendus

Anduriplaadiga on võimalik ühendada I2C protokolli toetavaid andureid (või ka muid seadmeid). Võimalik on valida siini toide, kas 3,3 V või 5 V. I2C pistiku viigud on ühendatud järgmiselt: SDA - PD1, SDL - PD0.

et/hardware/homelab/sensor/v52.1334666384.txt.gz · Last modified: (external edit)
CC Attribution-Share Alike 4.0 International
www.chimeric.de Valid CSS Driven by DokuWiki do yourself a favour and use a real browser - get firefox!! Recent changes RSS feed Valid XHTML 1.0