This is an old revision of the document!


Andurite moodul v5.0

(Version 5.0)

Andurite moodulisse on kombineeritud valik andureid, madalpääsufilter ja väliste andurite ühendamise võimalus.

Andurite mooduli võimalused

  • Elektreetmikrofon
  • Valgustugevuse andur (fototakisti) VT935G (takistus 10 lux valgustugevuse puhul 18,5 kΩ) andmeleht
  • Temperatuuriandur (termistor NTC) (takistus 25 °C puhul 10 kΩ) andmeleht
  • 10 kΩ potentsiomeeter
  • Ultraheli kaugusandur Devantech SRF05 (mõõtevahemik 1-400 cm) andmeleht
  • Infrapuna kaugusandur Sharp GP2Y0A21YK0F (mõõtevahemik 10-80 cm) andmeleht

Electrical connections

On-board sensors are connected as follows:

on-board notationexternal notationon-board sensormicrocontroller port
MICCON4MicrophonePF0
LDRCON3Light intensity sensorPF1
NTCCON2Temperature sensorPF2
POTCON1PotentiometerPF3

Sensors

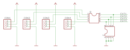
Every sensor on the board is connected through the multiplexer, enabling to select between on-board sensor or external sensor which can be connected to the same port through the connectors. By default all on-board sensors are connected to the analogous inputs of the microcontroller (ADC0-ADC3). Multiplexer is controlled with the port PG0.

Schematics of multiplexer
Schematics of sensors connections

Low-pass filter

Low-pass filter can be composed between external analogous inputs 0-3 (PF0-PF3). Resistor and capacitor will be connected to the socket for building up the low-pass filter. By default a low-pass filter is composed for the channel 0 (PF0). Resistor value is 10 kΩ and capacitor value is 100 nF.

Schematics of external sensor connections and low-pass filter

Digital I/O connector

In addition to the sensors and analog inputs, there is a connector for digital I/O on the board. The pins of the connector are directly connected to pins PE2-PE5 of the controller.

The CON_IO connector
et/hardware/homelab/sensor/v50.1303161419.txt.gz · Last modified: (external edit)
CC Attribution-Share Alike 4.0 International
www.chimeric.de Valid CSS Driven by DokuWiki do yourself a favour and use a real browser - get firefox!! Recent changes RSS feed Valid XHTML 1.0