This is an old revision of the document!


Kombo moodul

(Versioon 1.2)

Uuendada

Komboplaat koondab endas kolm erinevat plaati, mis teeb selle eriti sobivaks kasutamiseks robotil. Komboplaadi funktsionaalsus ühildub Andurite mooduliga, Mootorite mooduliga ja Kommunkatsiooni mooduliga.

Komboplaat koos XBee mooduliga

Komboplaadi abil on võimalik juhtida järgmisi mootoreid:

  • 4 x alalisvoolumootor
  • 1 x samm-mootor
  • 2 x servomootor

Ühendada järgmisi andureid:

  • 4 x analoog
  • 4 x digitaal
  • 2 x kooder
  • 8x digitaal, läbi serial liidese

Kasutada järgmisi kommunikatsiooni liideseid:

  • UART (3,3 või 5 V toitel)
  • ZigBee / Bluetooth / RFID / WiFi / GPS juhtmavaba side moodul

Standardlahendusena on Komboplaadile paigaldatud ZigBee juhtmavaba side moodul.

Elektrilised ühendused

Komboplaat on kontrolleriga ühendatud portide PA-PB-PC-PD-PE-PF kaudu. Alalisvoolu ja samm-mootori toited tulevad välisest toite pistikust, servo mootori toide tuleb samuti välisest toite pistikust, kuid on reguleeritud impulss-pingeregulaatori abil 5 V tasemel. Mootorite toited on eraldatud kontrolleri toitest. Kui Komboplaadi väline toide on õigesti ühendatud, süttib plaadil olev roheline toite LED - PWR.

Alalisvoolumootorid

Alalisvoolumootorid ühendatakse DC viikude gruppi. Iga paar suudab hakkama saada ühe mootoriga - kokku 4 alalisvoolumootorit. Mootorite juhtimiseks kasutatakse bd6226fp topelt H-silda. Mootoreid on võimalik asendada ka mõne muu seadmega, mida on võimalik digitaalselt juhtida ning mille poolt tarbitav vool ei ületa 1 A ja pinge 18 V (piezo generaator, relee vms).

Alalisvoolumootorite ühenduste skeem
AVR viik Signaal AVR viik Signaal
PB4 Mootor 1 A PD6 Mootor 3 A
PB7 Mootor 1 B PD7 Mootor 3 B
PD0 Mootor 2 A PD4 Mootor 4 A
PD1 Mootor 2 B PD5 Mootor 4 B

Samm-mootorid

Samm-mootori ühendamine

Servomootor

Servomootorid ühendatakse Servo viikudesse. Maa kaabel (tavaliselt must või pruun) ühendatakse GND viiguga (plaadi servale poolne viik). Korraga on võimalik kasutada kahte servomootorit. Signaali viigud on ühendatud otse mikrokontrolleri taimeri väljunditega.

Servomootori ühendamise skeem
AVR viik Signaal Pesa
PB5(OC1A) PWM1 Ülemine
PB6(OC1B) PWM2 Alumine

Andurid

Analoog-digitaal muunduriga anduri sisendid

Komboplaadile saab ühendada kuni 4 analoog-digital muundurit kasutatavat andurit. Andurite sisendid on jaotatud plokkidesse, kus igale andurile on eraldi maa, +5 V ja signaali viik. Maa on tähistatud GND.

Analoog-digitaal muunrit kasutava andurite sisendid
AVR viik Signaal Pesa
PF0(ADC0) ADC0 Ülemine
PF1(ADC1) ADC1 Alumine
PF2(ADC2) ADC2 Ülemine
PF3(ADC3) ADC3 Alumine

Analoog-digitaal muunduriga anduri sisendid

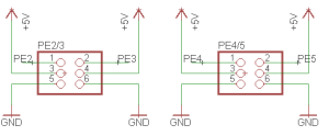
(Alates versioon 1.2) Lisaks on võimalik Kombo plaadi toitepinget mõõta kasutades komboplaadil asuvat sildühendust (jumper) DC_REF. Kasutades seda, ühendatakse ADC3 viik plaadil oleva pingejaguriga, ning siis on võimalik mõõta näiteks roboti akupinget sõidu ajal. ==== Digitaal sisendid ==== Komboplaadiga saab ühendada kuni 4 digitaalse väljundiga andurit. Mooduli andurite sisendid on jaotatud plokkidesse, kus igale andurile on mõeldud maa, +5 V ja signaali viik, maa viik on märgitud GND. [Digitaal väljundiga andurid ühendamise skeem]

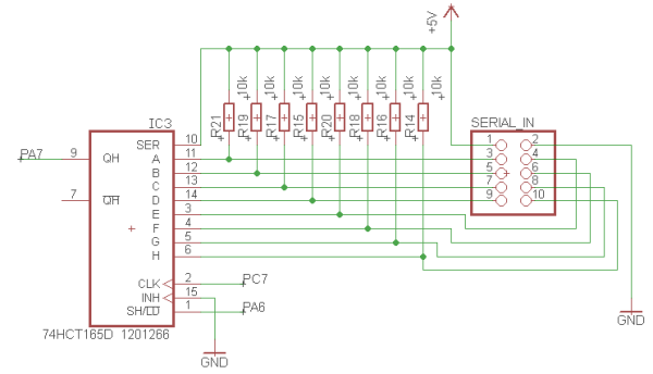
^ AVR viik ^ Signaal ^ Pesa ^ | PE2(XCK0/AIN0) | PE2 | Ülemine | | PE3(OC3A/AIN1) | PE3 | Alumine | | PE4(OC3B/INT4) | PE4 | Ülemine | | PE5(OC3C/INT5) | PE5 | Alumine | ===== Digitaal jada sisendid ===== Komboplaadil on 8 sisendiga nihkeregister 74HC/HCT165, mis võimaldab korraga lugeda 8 digitaal sisendit ning teisendada see 8-bitiliseks digitaalarvuks. Antud sisend sobib näiteks joonejälgimise andurite ühendamiseks. [Nihkeregistri ühendamise skeem, paaritud viigud on ülemised]

^ AVR viik ^ Signaal ^ | PA7(AD7) | Q7 | | PC7(A15) | CP | | PA6(AD6) | PL | | GND | CE | ==== Kooder ==== [Koodri ühendamise skeem]

^ AVR viik ^ Signaal ^ | PE6 | Kooder 1 | | PE7 | Kooder 2 | ===== Juhtmevaba moodul ===== Komboplaadile on võimalik paigaldada üks järgnevatest moodulitest: * ZigBee moodul * Bluetooth * GPS moodul * RFID moodul * Wifi moodul Kõik loetletud moodulid suhtlevad mikrokontrolleriga üle UART liidese. Lisaks on võimalik Komboplaadiga ühendada väline kaabliga UART seade. Välisele seadmele on võimalik valida toitepinge 3,3 V või 5 V. [Juhtmevada mooduli ühendamise skeem]

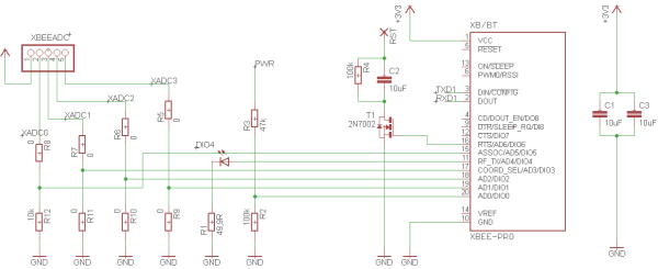
ZigBee XBee moodul ^ Juhtmevada mooduli viik ^ Signaal ^ Pesa ^ | 15(ASSOC/AD5/DIO5) | XADC0 | XBEEADC2 | | 17(COORD_SEL/AD3/DIO3) | XADC1 | XBEEADC3 | | 18(AD2/DIO2) | XADC2 | XBEEADC4 | | 19(AD1/DIO1) | XADC3 | XBEEADC5 | | 20(AD0/DIO0) | PWR | Ühendatud roboti toitega | | 11(RF_TX/AD4/DIO4) | DIO4 | test LED (kollane) | | 16(RTS/AD6/DIO6) | RST | Reset pin kontroller moodulil | Komboplaat on ühendatud juhtmevaba mooduli i/o 4 viiku, millele saab lisada pingejaguri (kui tegemist on analoog sisendiga) või kasutada digitaalse sisend-väljundina, lisaks on ühe i/o viiguga ühendatud test LED.

et/hardware/homelab/combo/v12.1357313615.txt.gz · Last modified: (external edit)
CC Attribution-Share Alike 4.0 International
www.chimeric.de Valid CSS Driven by DokuWiki do yourself a favour and use a real browser - get firefox!! Recent changes RSS feed Valid XHTML 1.0