This is an old revision of the document!


Sensor module

(Version 5)

Sensor module includes the combined board of sensors, low-pass filter and external sensors.

Sensor module features

  • Electret microphone
  • Light intensity sensor (photoresistor) VT935G (resistance 18,5 kΩ on 10 lux) datasheet
  • Temperature sensor (thermistor NTC) (resistance 10 kΩ on 25 °C) datasheet
  • Potentiometer 10 kΩ
  • Ultrasonic distance measure sensor Devantech SRF05 with cable (measuring distance 1-400 cm) datasheet
  • Infrared distance sensor Sharp GP2Y0A21YK0F (measuring distance 10-80 cm) datasheet

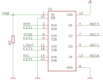
Sensors board

Electrical connections

On-board sensors are connected as follows:

on-board notationexternal notationon-board sensormicrocontroller port
MICADC0MicrophonePF0
LDRADC1Light intensity sensorPF1
NTCADC2Temperature sensorPF2
POTADC3PotentiometerPF3

Sensors

Every sensor on the board is connected through the multiplexer, enabling to select between on-board sensor or external sensor which can be connected to the same port through the connectors. By default all on-board sensors are connected to the analogous inputs of the microcontroller (ADC0-ADC3). Multiplexer is controller with the port PG0.

Schematics of multiplexer
Schematics of sensors connections

Low-pass filter

Low-pass filter can be composed between external analogous inputs 0-3 (PF0-PF3). Resistor and capacitor will be connected to the socket for building up the low-pass filter. By default a low-pass filter is composed for the channel 0 (PF0). Resistor value is 10 kΩ and capacitor value is 100 nF.

Schematics of external sensor connections and low-pass filter
en/hardware/homelab/sensor/v5.1291625770.txt.gz · Last modified: (external edit)
CC Attribution-Share Alike 4.0 International
www.chimeric.de Valid CSS Driven by DokuWiki do yourself a favour and use a real browser - get firefox!! Recent changes RSS feed Valid XHTML 1.0