This is an old revision of the document!


Digital board

Digital module board is equipped with:

  • 3 Light Emitting Diodes (LED), connected to port PORTC[3..5];
  • 3 micro switch, connected to port PORTC[0..2];
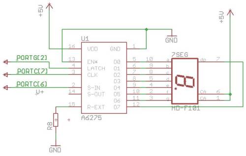
  • 7-segment number indicator, connected to port PORTC6, PORTC7, PORTG2
  • PORTA port (5 V level) for alphanumeric LCD;
  • PORTA port (3,3 V level) for graphical LCD (starting for version 3.2);
  • PORTG 2 pin port

Electrical connections

LEDs and micro switches connection schematics:

7-segment numeric indicator electrical connections:

Connecting module

en/hardware/digi.1265287148.txt.gz · Last modified: (external edit)
CC Attribution-Share Alike 4.0 International
www.chimeric.de Valid CSS Driven by DokuWiki do yourself a favour and use a real browser - get firefox!! Recent changes RSS feed Valid XHTML 1.0